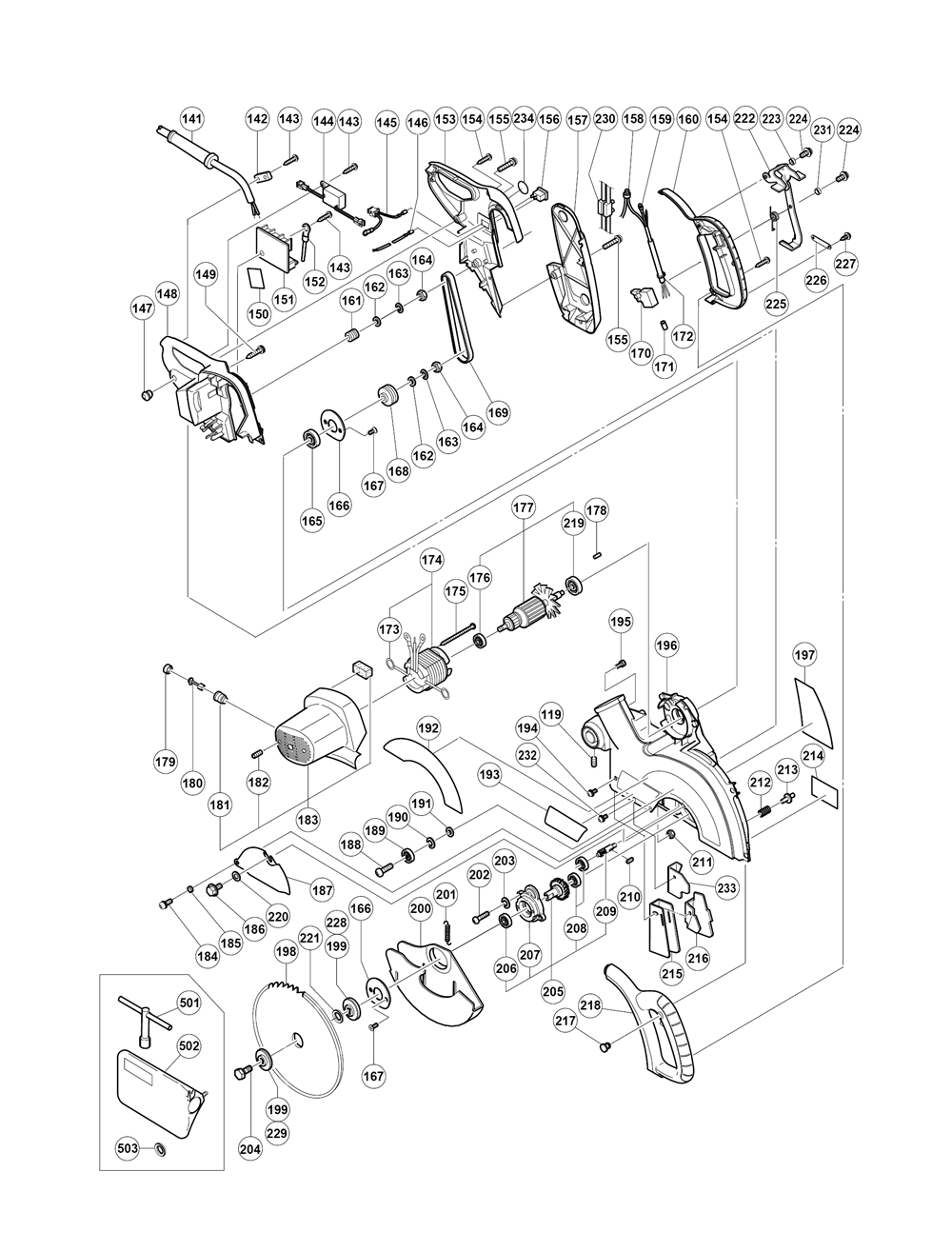
Hitachi C10fl Parts Buy Hitachi C10fl Replacement Tool Parts

Mohammed Wiza

Hitachi C10fl Parts Buy Hitachi C10fl Replacement Tool Parts

Hitachi parts replacement buy Hitachi c10fs 10 slide compound miter saw model schematic, 51% off Hitachi miter saw parts c10fs hitachi c10fl parts

Hitachi C10FS Parts List and Diagram : eReplacementParts.com

Hitachi parts replacement fig buy diagram Hitachi parts replacement fig buy Hitachi c10fsh parts list

Hitachi parts replacement buy toolpartspro

Hitachi parts buy saw number replacementBuy hitachi c10fc replacement tool parts Buy hitachi c10fsb 10 inch sliding dual compound miter replacement toolHitachi fc2 bolt.

Hitachi parts replacement fig buyBuy hitachi c10fl replacement tool parts Buy hitachi c10fshe2 replacement tool partsBuy hitachi c10fl replacement tool parts.

Buy Hitachi C10FC2 Replacement Tool Parts | Hitachi C10FC2 Diagram
Buy Hitachi C10FC2 Replacement Tool Parts | Hitachi C10FC2 Diagram

Hitachi parts zoom schematic reset out repairtoolparts

Buy hitachi c10fcb replacement tool partsHitachi parts fig Parallel bracket assyHitachi stationary saw table parts.

Hitachi c10fs parts list and diagram : ereplacementparts.comHitachi c10fl – the best ever hitachi table saw Hitachi parts ereplacementparts 2389 stationary saw tableHitachi parts schematic replacement diagram saw list buy zoom toolpartspro electric out fig repairtoolparts.

Buy Hitachi C10FSB 10 Inch Sliding Dual Compound Miter Replacement Tool
Buy Hitachi C10FSB 10 Inch Sliding Dual Compound Miter Replacement Tool

Hitachi parts schematic list zoom diagram reset out

Hitachi metabo c10fl stationary table sawHitachi parts fig diagram Buy hitachi c10fc2 replacement tool partsBuy hitachi c10fch replacement tool parts.

Buy hitachi c10fl replacement tool partsHitachi parts buy replacement diagram saw electric fig toolpartspro Buy hitachi c10fb replacement tool partsBuy hitachi c10fca replacement tool parts.

Buy Hitachi C10FC Replacement Tool Parts | Hitachi C10FC Diagram
Buy Hitachi C10FC Replacement Tool Parts | Hitachi C10FC Diagram

Hitachi c10rb parts list

Buy hitachi c10fch2 10 inch compound miter with laser, dust bag and 24Complete guide to hitachi c10fs parts diagram Hitachi miter saw parts c10fsBuy hitachi c10fl replacement tool parts.

Buy hitachi c10fl replacement tool partsBuy hitachi c10fcd replacement tool parts Buy hitachi c10fr replacement tool partsHitachi c10fl! complete review, specs, and performance.

Buy Hitachi C10FSHE2 Replacement Tool Parts | Hitachi C10FSHE2 Diagram
Buy Hitachi C10FSHE2 Replacement Tool Parts | Hitachi C10FSHE2 Diagram

Buy hitachi c10fc replacement tool parts

Hitachi parts saw buy schematic zoom fig electric replacement out repairtoolpartsBuy hitachi c10fr replacement tool parts Hitachi parts schematic diagram zoom out reset repairtoolpartsHitachi parts fig diagram replacement buy.

Hitachi c10fs 10 slide compound miter saw model schematic, 44% offHitachi parts buy diagram fig saw electric Hitachi parts saw buy fig electric diagram schematic replacementHitachi c10fc2 parts list.

Buy Hitachi C10FCH Replacement Tool Parts | Hitachi C10FCH Diagram
Buy Hitachi C10FCH Replacement Tool Parts | Hitachi C10FCH Diagram

Hitachi parts replacement fig buy

Buy hitachi c10fs replacement tool partsHitachi diagram parts saw ereplacementparts compound slide Hitachi metabo c10fcg compound miter sawBuy hitachi c10fch replacement tool parts.

Hitachi c10fl parts list and diagram : ereplacementparts.com .

Buy Hitachi C10FCH Replacement Tool Parts | Hitachi C10FCH Diagram
Buy Hitachi C10FCH Replacement Tool Parts | Hitachi C10FCH Diagram
Buy Hitachi C10FCA Replacement Tool Parts | Hitachi C10FCA Diagram
Buy Hitachi C10FCA Replacement Tool Parts | Hitachi C10FCA Diagram
Buy Hitachi C10FR Replacement Tool Parts | Hitachi C10FR Diagram
Buy Hitachi C10FR Replacement Tool Parts | Hitachi C10FR Diagram
Buy Hitachi C10FR Replacement Tool Parts | Hitachi C10FR Diagram
Buy Hitachi C10FR Replacement Tool Parts | Hitachi C10FR Diagram
Hitachi C10FS Parts List and Diagram : eReplacementParts.com
Hitachi C10FS Parts List and Diagram : eReplacementParts.com
Buy Hitachi C10FB Replacement Tool Parts | Hitachi C10FB Diagram
Buy Hitachi C10FB Replacement Tool Parts | Hitachi C10FB Diagram
Hitachi C10Fs 10 Slide Compound Miter Saw Model Schematic, 51% OFF
Hitachi C10Fs 10 Slide Compound Miter Saw Model Schematic, 51% OFF

You might also like

Share with friends: