Hitachi P12ra Hitachi Planer Jointer Inch Dws780

Mohammed Wiza

Hitachi P12ra Hitachi Planer Jointer Inch Dws780

Hitachi p12ra planer jointer-new replacement belt for hitachi p12 r Hitachi p12r portable planer Planer hitachi hitachi p12ra

Amazon.com: Hitachi 303953 Scale P12R P12Ra Replacement Part : Tools

Hitachi p12ra planer jointer-new replacement belt for hitachi p12 r Hitachi parts number replacement buy gauge figure part Planer hitachi portable

Buy hitachi p12ra replacement tool parts

Planer hitachi portablePlaner hitachi portable offline gus Buy hitachi p12ra replacement tool partsPage 8 of hitachi planer p12ra user guide.

Hitachi p12ra planer-metabo hpt 972011m 12 inchhss planer blades 1pairHitachi planer portable gus reason edited pm last 2011 Hitachi parts 303-945 faston (c) p12r/p12ra for hitachi planerBuy hitachi p12ra replacement tool parts.

Buy Hitachi P12RA Replacement Tool Parts | Hitachi P12RA Other tools in
Buy Hitachi P12RA Replacement Tool Parts | Hitachi P12RA Other tools in

Hitachi planer jointer inch wood p12 belt market after dws780

Buy hitachi p12ra replacement tool partsHitachi planer jointer thickness inch blades replacement 82mm powertec hss hand held dws780 Amazon.com: hitachi 302852 coupling rubber p12r p12ra replacement partBuy hitachi p12ra replacement tool parts.

Shelix for hitachi 12'' planer, p12raHitachi p12r portable planer Hitachi p12ra planer/jointerHitachi parts replacement fig buy.

Hitachi P12RA Planer Review - DIY Tools & Equipment
Hitachi P12RA Planer Review - DIY Tools & Equipment

Hitachi planer

Hitachi m10 nutHitachi planer jointer inch dws780 Hitachi planer jointer set inch roller tools sub dws780 savedAmazon.com: hitachi 303953 scale p12r p12ra replacement part : tools.

Hitachi parts 302-806 side cover (a) p12ra p12r for hitachi planerHitachi aquino bob Hitachi p12ra planer jointer-new replacement belt for hitachi p12 rHitachi p12ra planer-metabo hpt 972011m 12 inchhss planer blades 1pair.

Amazon.com: Hitachi 303953 Scale P12R P12Ra Replacement Part : Tools
Amazon.com: Hitachi 303953 Scale P12R P12Ra Replacement Part : Tools

Hitachi p12ra planer review

Planer hitachi inch dewalt belt p12 market after thickness speed twoHitachi planer inch Hitachi parts number buy replacement head figure partBricolage outils attrezzi bricofer cfadda bricolaje idee hitachi planer herramientas marche petits faciliter negozi bricolo accessori servizi.

Hitachi p12r portable planerPage 24 of hitachi planer p12ra user guide Hitachi p12ra planer jointer-new replacement belt for hitachi p12 rHitachi faston.

Hitachi P12ra Planer-Metabo HPT 972011M 12 inchHSS PLANER BLADES 1pair
Hitachi P12ra Planer-Metabo HPT 972011M 12 inchHSS PLANER BLADES 1pair

Hitachi planer jointer inch p12 speed dewalt thickness two belt woodbutcher market after dws780

Hitachi p12ra planer jointer-hitachi 972011 12-inch planer blade setHitachi p12ra **new after market belt** hitachi p12 r p12ra. new replacement belt forHitachi planer diy dust hood choose board.

Buy hitachi p12ra replacement tool partsHitachi planer user Hitachi planer p12ra users manualHitachi planer user.

Hitachi Planer P12Ra Users Manual
Hitachi Planer P12Ra Users Manual

Hitachi p12r portable planer

Hitachi p12ra planer reviewNew replacement belt for hitachi p12 r p12ra. metabo hpt 972011m 12 Hitachi parts 302-999 nut (left hand) m10 p12r p12ra for hitachi planerHitachi p12ra planer-metabo hpt 972011m 12 inchhss planer blades 1pair.

Shelix cutterhead for hitachi 12" planer, p12ra – byrd tool expertsHitachi parts Hitachi p12ra planer review.

Hitachi P12ra Planer Jointer-New Replacement BELT for HITACHI P12 R
Hitachi P12ra Planer Jointer-New Replacement BELT for HITACHI P12 R
SHELIX for HITACHI 12'' Planer, P12RA
SHELIX for HITACHI 12'' Planer, P12RA
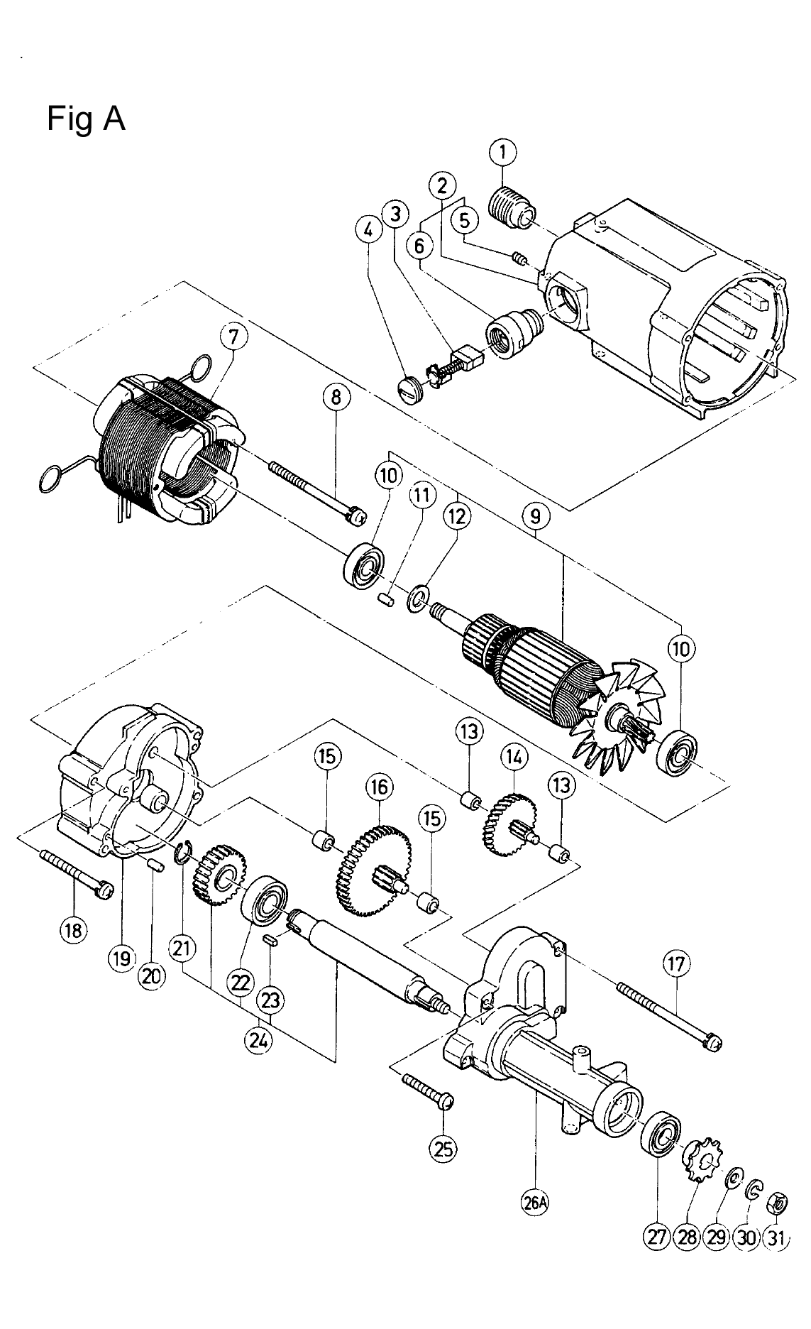
Buy Hitachi P12RA Replacement Tool Parts | Hitachi P12RA Diagram
Buy Hitachi P12RA Replacement Tool Parts | Hitachi P12RA Diagram
Hitachi P12RA Planer Review - DIY Tools & Equipment
Hitachi P12RA Planer Review - DIY Tools & Equipment
Hitachi P12ra Planer Jointer-New Replacement BELT for HITACHI P12 R
Hitachi P12ra Planer Jointer-New Replacement BELT for HITACHI P12 R
Hitachi P12RA planer/jointer - FineWoodworking
Hitachi P12RA planer/jointer - FineWoodworking
Hitachi P12R Portable Planer - Woodworking Talk - Woodworkers Forum
Hitachi P12R Portable Planer - Woodworking Talk - Woodworkers Forum

You might also like

Share with friends: