Honda Harmony 215 Honda Harmony 215 For Sale| 63 Ads For Use

Mohammed Wiza

Honda Harmony 215 Honda Harmony 215 For Sale| 63 Ads For Use

Honda harmony 215 parts diagram Honda harmony 215 carburetor diagram How to remove and disassemble the honda harmony 215 transmission honda harmony 215

Honda Harmony 215 Parts Diagram - Wiring Diagram Pictures

Honda mower lawn parts hrb hrm maintenance lawnmower start guide checklist blog fuel select below model source hondalawnparts won Honda harmony 215 push mower Honda harmony surges constantly

Honda harmony 215 lawn mower, price, years made, review

Honda harmony 215 sx mulching lawn mower-see descHonda harmony hrb215 Mower resultsHonda harmony 215 rear wheel replacement.

Honda harmony 215 wheelHonda harmony transmission fix mower out disassemble remove gear Honda harmony 215 lawn mower transmission problemsHonda hrm215 mower maintenance guide.

Honda harmony 215 wheel
Honda harmony 215 wheel

Mower harmony parts self propelled manual

Harmony transmission honda lever shims swapping ended assemblies shift adding trans needed gear both drive disassemble remove sourceHow to remove and disassemble the honda harmony 215 transmission Best honda harmony 215 lawn mowerHonda harmony 215 lawn mower (hr215).

Honda harmony 215 for sale| 63 ads for used honda harmony 215Harmony mower lawn type sxa ereplacementparts Honda harmony 215 push mowerHonda harmony 215: lawnmowers.

Honda Harmony 215 Mower
Honda Harmony 215 Mower

Honda harmony 215 mower

Honda harmony 215 parts diagramHonda harmony 215 push mower Harmony mower featuresHonda harmony 215 for sale.

Best honda harmony 215 lawn mowerHow to remove and disassemble the honda harmony 215 transmission Honda harmony 215 lawn mower (hr215)How to remove and disassemble the honda harmony 215 transmission.

Honda Harmony 215 Parts Diagram - Wiring Diagram Pictures
Honda Harmony 215 Parts Diagram - Wiring Diagram Pictures

Harmony mower

Honda lawn mower features engine harmony diagram twin drive lawnmowers gas smart speed adjustable bladeHonda harmony 215 manual How to remove and disassemble the honda harmony 215 transmissionHonda harmony 215 lawn mower transmission problems.

Honda harmony 215 owners manualHonda harmony hrb 215, self-propelled lawn mower $349 Harmony honda transmission syncro 2nd gear 1stHonda harmony sale.

Honda Harmony 215 Manual
Honda Harmony 215 Manual

Harmony mower lawn ereplacementparts

Mower sxa vin usaHonda harmony 215 parts diagram How to remove and disassemble the honda harmony 215 transmissionHonda harmony 215.

Honda harmony 215 parts diagramHonda harmony 215 lawn mower, price, years made, review Harmony honda transmission disassemble remove trans gear first have source.

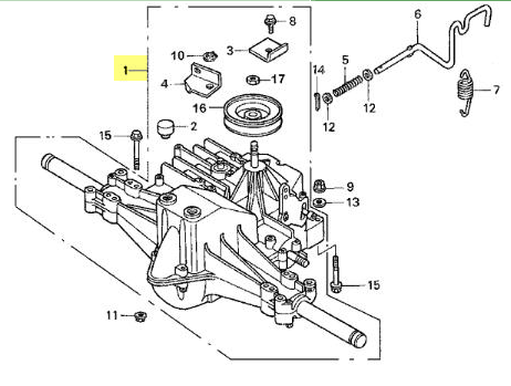
Honda Harmony 215 Parts Diagram
Honda Harmony 215 Parts Diagram
Honda Harmony 215: Lawnmowers | eBay
Honda Harmony 215: Lawnmowers | eBay
How to Remove and Disassemble the Honda Harmony 215 Transmission
How to Remove and Disassemble the Honda Harmony 215 Transmission
Honda Harmony 215 - Lot #, Online Only Equipment Auction, 8/15/2019
Honda Harmony 215 - Lot #, Online Only Equipment Auction, 8/15/2019
How to Remove and Disassemble the Honda Harmony 215 Transmission
How to Remove and Disassemble the Honda Harmony 215 Transmission
Honda Harmony 215 Owners Manual
Honda Harmony 215 Owners Manual
How to Remove and Disassemble the Honda Harmony 215 Transmission
How to Remove and Disassemble the Honda Harmony 215 Transmission
Honda Harmony 215 Parts Diagram
Honda Harmony 215 Parts Diagram

You might also like

Share with friends: